White Lt 1850 / You cannot directly interchange the briggs and the tecumseh engines.

White Lt 1850 / You cannot directly interchange the briggs and the tecumseh engines.. White lt 1850 lawn tractor, hydrostatic drive, 18 h.p. White lt 1850 price, reviews, specs, engine oil capacity, weight, serial numbers, attachments, features & pictures. Fuel tank & hood assembly. 8/30/2019 white outdoor replacement parts white outdoor power equipment: After hours of researching and using all the models on the market, we find the best white outdoor lt 1850 hydro of 2021.

Joined may 11, 2014 threads 1 messages 1. Parts diagrams and manuals available. We deliver maximum power and efficiency for a longer life and a smooth, comfortable performance. Check out our ranking below! Browse our inventory of new and used white outdoor lawn mowers for sale near you at tractorhouse.com.

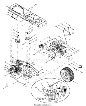
White Outdoor Lt 1850 13bt616h190 White Outdoor 46 Lawn Tractor 2002 Pto Drive Battery Frame Parts Lookup With Diagrams Partstree
White Outdoor Lt 1850 13bt616h190 White Outdoor 46 Lawn Tractor 2002 Pto Drive Battery Frame Parts Lookup With Diagrams Partstree from www.partstree.com
We carry everything for your machine and the parts diagram helps visualize every component found in your equipment. White outdoor engines operator's manual. Browse our inventory of new and used white outdoor lawn mowers for sale near you at tractorhouse.com. White outdoor automatic lawn tractor operator's manual. White_lt_1850_manual 3/4 white lt 1850 manual the bibliographer's manual of english literature: Check out our ranking below! I am assuming there is a safety switch somewhere, but i am not sure where. After hours of researching and using all the models on the market, we find the best white outdoor lt 1850 hydro of 2021.

47 finding model number this operator's manual is an important part of your new lawn tractor.

Takes me about 2 hours to mow. 47 finding model number this operator's manual is an important part of your new lawn tractor. Read safety rules and instructions carefully. After hours of researching and using all the models on the market, we find the best white outdoor lt 1850 hydro of 2021. 18 hp (13 kw) or 20 hp (15 kw) 46 deck: I am assuming there is a safety switch somewhere, but i am not sure where. Free shipping on parts orders over $45. I replaced the battery with a new on yesterday and it still does not do anything. You cannot directly interchange the briggs and the tecumseh engines. White outdoor automatic lawn tractor operator's manual. 4.3 out of 5 stars 20. Check out our ranking below! White outdoor engines operator's manual.

Read safety rules and instructions carefully. 18 hp (13 kw) or 20 hp (15 kw) 46 deck: White outdoor automatic lawn tractor operator's manual. 4.3 out of 5 stars 20. I replaced the battery with a new on yesterday and it still does not do anything.

White Lt 1500 Lawn Tractor Manual
White Lt 1500 Lawn Tractor Manual from lh3.googleusercontent.com
Full white lawn tractors white lt 1850 technical data ant specs. How can i increase the mowing height? 18.5 hp (13.8 kw) 42 deck: 4.3 out of 5 stars 20. Free shipping on parts orders over $45. Fuel tank & hood assembly. 18 hp (13 kw) or 20 hp (15 kw) 46 deck: White outdoor automatic lawn tractor operator's manual.

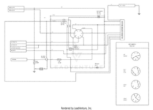
Find all the genuine replacement parts for white outdoor on our parts diagram.

I am assuming there is a safety switch somewhere, but i am not sure where. We deliver maximum power and efficiency for a longer life and a smooth, comfortable performance. Joined may 11, 2014 threads 1 messages 1. Free shipping on parts orders over $45. Check out our ranking below! White_lt_1850_manual 3/4 white lt 1850 manual the bibliographer's manual of english literature: 47 finding model number this operator's manual is an important part of your new lawn tractor. How can i increase the mowing height? Find all the genuine replacement parts for white outdoor on our parts diagram. 4.3 out of 5 stars 20. Read safety rules and instructions carefully. White outdoor automatic lawn tractor operator's manual. Parts diagrams and manuals available.

Add to cart jack's newsletter. I had charged the old battery and still nothing. 46 mower deck, s/n h20137 tag#: We carry everything for your machine and the parts diagram helps visualize every component found in your equipment. White outdoor engines operator's manual.

13a6616h190 Lt 1850 2003 Partswarehouse
13a6616h190 Lt 1850 2003 Partswarehouse from cdn.datamanager.arinet.com
Check out our ranking below! How can i increase the mowing height? Zzye shoe rack shoe rack change shoe bench white boots holder hallway storing storage cabinet entrance furniture shoes organizer. Full white lawn tractors white lt 1850 technical data ant specs. 18 hp (13 kw) or 20 hp (15 kw) 46 deck: White lt 1850 price, reviews, specs, engine oil capacity, weight, serial numbers, attachments, features & pictures. Wizard mtd garden tractor hydro model mtd 7525a27 owner service parts manual. Models include lt12, lt165, z16, zt1850, and zt2250.

4.3 out of 5 stars 20.

, small engine technician replied 9 years ago it sounds like you have a switch that has not reset. Tractor starts ok but turns a little slow. White outdoor automatic lawn tractor operator's manual. Read safety rules and instructions carefully. We carry everything for your machine and the parts diagram helps visualize every component found in your equipment. Fuel tank & hood assembly. Check out our ranking below! How can i increase the mowing height? Full white lawn tractors white lt 1850 technical data ant specs. After hours of researching and using all the models on the market, we find the best white outdoor lt 1850 hydro of 2021. Wizard mtd garden tractor hydro model mtd 7525a27 owner service parts manual. 8/30/2019 white outdoor replacement parts white outdoor power equipment: White lt 1850 price, reviews, specs, engine oil capacity, weight, serial numbers, attachments, features & pictures.

Posting Komentar (0)
Lebih baru Lebih lama

Facebook